700 koelwerkbank 8 laden | 7489.5550


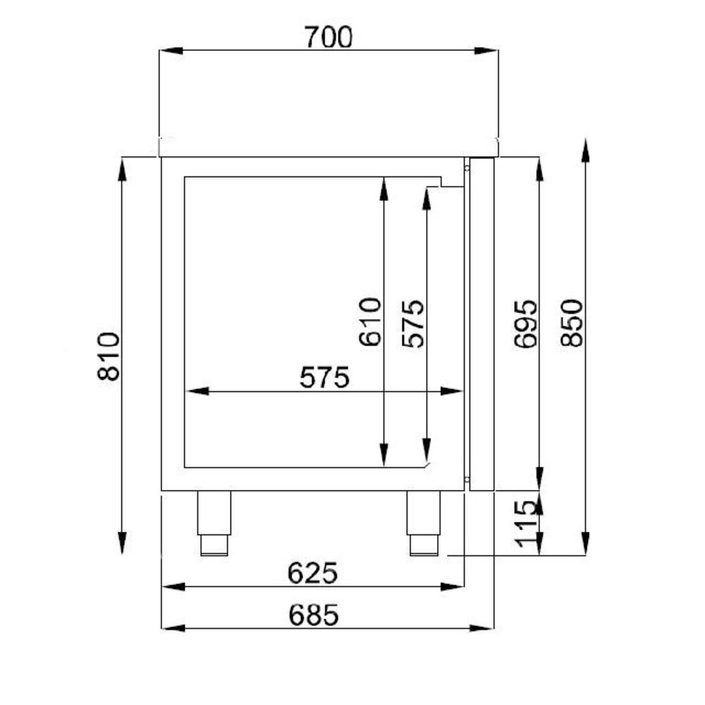
De 700 koelwerkbank van Combisteel met 8 laden is een essentieel apparaat voor professionele keukens, waaronder horecagelegenheden en bedrijfsrestaurants. Deze koelwerkbank heeft een breedte van 2330 mm, diepte van 700 mm en een hoogte van 850 mm, vervaardigd uit roestvrij staal type 430, wat zorgt voor duurzaamheid en eenvoud in onderhoud. Het apparaat heeft een bruto inhoud van 632 liter en biedt ruimte aan GN 1/1 containers.
De koelwerkbank is uitgerust met een geforceerde koeling, wat helpt bij het efficiënt koelen van de inhoud, en heeft een temperatuurbereik van -2 tot +8 graden Celsius. Het beschikt over een automatisch ontdooisysteem en een geluidsniveau van slechts 40 dB, wat zorgt voor een stille werkomgeving. De isolatiedikte van 50 mm helpt bij het efficiënt behouden van de koude lucht. De laden zijn niet zelfsluitend, wat extra aandacht vereist bij het gebruik.
Dit model is ideaal voor keukens die behoefte hebben aan een betrouwbare en ruime oplossing voor het koelen van ingrediënten, terwijl de roestvrijstalen afwerking zorgt voor een professionele uitstraling. Het biedt een praktische en efficiënte manier om voedsel vers en veilig te bewaren.
Extra specificaties Combisteel 700 koelwerkbank 8 laden
- Breedte (mm): 2330
- Diepte (mm): 700
- Hoogte (mm): 850
- Materiaal: Rvs 430
- Gewicht bruto (kg): 205
- Bijzonderheden: De laden zijn niet zelfsluitend.
- Spanning (Volt): 230
- Frequentie (Hz): 50
- El. vermogen(kW): 0,45
- Koelmiddel: R 290
- Temp.bereik(°C): -2/+8
- Aantal geleidersets: 8
- Aantal roosters: 2
- Geleiderafstand (mm): Variabel 40/80/120
- Inh. Bruto (Ltr): 632
- Inh. aantal GN: 1/1
- Type Koeling: Geforceerd
- Aantal laden: 8
- Geluidsniveau (dB): 40
- Ontdooisysteem: Automatisch
- Max. omg. temp.(°C): 43
- Isolatiedikte (mm): 50
Waarom kies je voor Combisteel 700 koelwerkbank 8 laden
Ontdek de efficiëntie en duurzaamheid van de Combisteel 700 koelwerkbank met 8 laden, een essentieel onderdeel voor elke professionele keuken. Deze hoogwaardige koelwerkbank is ontworpen om te voldoen aan de strenge eisen van de horeca en biedt een robuuste oplossing voor uw koelbehoeften.
Gemaakt van stevig roestvrij staal, biedt deze koelwerkbank een ruime capaciteit van 632 liter, waardoor u een grote hoeveelheid ingrediënten vers en binnen handbereik kunt houden. De afmetingen van 2330 mm breedte, 700 mm diepte en 850 mm hoogte maken het een ideale keuze voor keukens waar ruimte en efficiëntie cruciaal zijn.
De koelwerkbank is uitgerust met een geforceerd koelsysteem, wat zorgt voor een gelijkmatige temperatuurverdeling. Het temperatuurbereik van -2 tot +8 graden Celsius garandeert dat uw producten onder optimale omstandigheden worden bewaard. Bovendien zorgt het automatische ontdooisysteem ervoor dat u minder tijd kwijt bent aan onderhoud.
Deze koelwerkbank is niet alleen praktisch, maar ook ontworpen met oog voor gebruiksgemak. De acht laden bieden voldoende ruimte voor het organiseren van ingrediënten, terwijl de variabele geleiderafstand flexibiliteit biedt voor verschillende opslagopties. Ondanks zijn krachtige prestaties, heeft de koelwerkbank een laag geluidsniveau van 40 dB, wat zorgt voor een aangename werkomgeving.
Kies voor de Combisteel 700 koelwerkbank met 8 laden voor een betrouwbare, efficiënte en gebruiksvriendelijke oplossing die de productiviteit in uw keuken zal verhogen. Perfect voor zowel kleine bedrijfsrestaurants als grote horecagelegenheden die streven naar kwaliteit en duurzaamheid in hun keukenapparatuur.
Productnummers
- Artikelnummer
- 7489.5550
- SKU
- CO74895550
- EAN
- 7422242936955





